...
Kurser Alla kurser Min kurs Min sida Min sida Provbank Mina prov Läromedel Blogg Hjälp & Guider Om oss Kontakt Nationella prov Gamla högskoleprov Screening Priser
Sök Mitt konto Logga ut Elev/lärare
-registrering
Logga in Köp Premium Köp Premium Prova gratis
Genom att använda den här sidan godkänner du våra användarvillkor, vår integritetspolicy och att vi använder cookies.
EXEMPEL I VIDEON
Lägg till som läxa
Lägg till som stjärnmärkt
  Lektionsrapport   Hjälp

Frågor hjälpmarkerade!

Alla markeringar försvinner.

Ta bort markeringar Avbryt
Kopiera länk Facebook X (Twitter) Repetera Rapportera Ändra status
KURSER  / 
Fysik Nivå 1
 /   Kursprov Fysik 1 HT 2015 Delprov A: Teoriuppgifter

Kursprov Fysik 1 HT 2015 Delprov A: Teoriuppgifter

Endast Premium- användare kan rösta.
Författare:Simon Rybrand
Redigera lektion Redigera text Redigera övning Redigera video Skapa thumbnails

██████████████████████████
████████████████████████████████████████████████████

0-uppgifter (18)

  • 1. Premium

    Redigera uppgift Rapportera fel Ändra till korrekt
    (1/0/0)
    E C A
    B 1
    P
    PL
    M
    R
    K
    M EXIT NP INGÅR EJ Uppgift från prov

    Figuren visar v-t grafen för ett föremål som faller fritt på en nyupptäckt planet. Bestäm föremålets acceleration.

    Svar:
    π²
    Ditt svar:
    Rätt svar:
    (Korrekta varianter)
    {[{correctAnswer}]}
    Bedömningsanvisningar/Manuell rättning
    Klicka i rutorna och bedöm ditt svar.
    • Rättad
    • +1
    • Rättad
    Dela med lärare
    Rättar...
  • 2. Premium

    Redigera uppgift Rapportera fel Ändra till korrekt
    (1/0/0)
    E C A
    B 1
    P
    PL
    M
    R
    K
    M EXIT NP INGÅR EJ Uppgift från prov

    Ett framtida rymdskepp färdas mot en avlägsen stjärna. Rymdskeppet åker
    mycket snabbt, med $75\text{ }\%$75 % av ljushastigheten $c$c.

    Vilken hastighet mäter astronauten på det inkommande ljuset från stjärnan?

    Svar:
    π²
    Ditt svar:
    Rätt svar:
    (Korrekta varianter)
    {[{correctAnswer}]}
    Bedömningsanvisningar/Manuell rättning
    Klicka i rutorna och bedöm ditt svar.
    • Rättad
    • +1
    • Rättad
    Dela med lärare
    Rättar...
  • 3. Premium

    Redigera uppgift Rapportera fel Ändra till korrekt
    (1/1/0)
    E C A
    B 1
    P
    PL 1
    M
    R
    K
    M EXIT NP INGÅR EJ Uppgift från prov

    Karolina kastar en kula rakt uppåt. Kulan har massan $0,382$0,382 kg.
    Karolina ritar en graf över hur kulans potentiella energi $E_P$EP beror
    av höjden $h$h, se diagram nedan.

    a) Karolina vill skriva ut värdet för maximala potentiella energin i rutan i
    diagrammet. Vad ska hon skriva?

    b) Rita in i diagrammet ovan hur kulans kinetiska energi $E_K$EK beror av
    höjden. Bortse från friktionsförluster.

    Svar:
    Ditt svar:
    Rätt svar:
    (Korrekta varianter)
    {[{correctAnswer}]}
    Bedömningsanvisningar/Manuell rättning
    Klicka i rutorna och bedöm ditt svar.
    • Rättad
    • +1
    • Rättad
    Dela med lärare
    Rättar...
  • Så hjälper Eddler dig:
    Videor som är lätta att förstå Övningar & prov med förklaringar
    Allt du behöver för att klara av provet
    Så hjälper Eddler dig:
    Videor som är lätta att förstå Övningar & prov med förklaringar
    Allt du behöver för att klara av provet
    Din skolas prenumeration har gått ut!
    Påminn din lärare om att förnya eller fortsätt plugga med Eddler på egen hand.
    Så funkar det för:
    Elever/Studenter Lärare Föräldrar
    Din skolas prenumeration har gått ut!
    Förnya er prenumeration. Kontakta oss på: info@eddler.se
  • 4. Premium

    Redigera uppgift Rapportera fel Ändra till korrekt
    (1/2/0)
    E C A
    B 1
    P
    PL 2
    M
    R
    K
    M EXIT NP INGÅR EJ Uppgift från prov

    En liten kula med massan $1,0\cdot10^{-12}$1,0·1012 kg och laddningen $+1,0$+1,0 nC hålls
    svävande i ett homogent elektriskt fält mellan två horisontella plattor, se
    figuren.

    a) Rita in minst tre fältlinjer som beskriver det homogena elektriska fältet
    mellan plattorna i figuren nedan.

    b) Beräkna den elektriska fältstyrkan mellan plattorna.

    Svar:
    Ditt svar:
    Rätt svar:
    (Korrekta varianter)
    {[{correctAnswer}]}
    Bedömningsanvisningar/Manuell rättning
    Klicka i rutorna och bedöm ditt svar.
    • Rättad
    • +1
    • Rättad
    Dela med lärare
    Rättar...
  • 5. Premium

    Redigera uppgift Rapportera fel Ändra till korrekt
    (0/1/0)
    E C A
    B 1
    P
    PL
    M
    R
    K
    M EXIT NP INGÅR EJ Uppgift från prov

    Bilden visar en väderballong som precis har släppts iväg. Ballongen är fylld med vätgas och tillsluten. Väderballongen tar med mätinstrument högt upp i atmosfären där de kan utföra mätningar.

    När väderballongen stiger uppåt expanderar den för att så småningom explodera.
    Ge en fysikalisk förklaring till varför ballongen expanderar.
    (Eftersom ballongen släpps iväg en mycket kall vinterdag bortser vi från
    gasens temperaturförändring i ballongen under stigningen.)

    Svar:
    Ditt svar:
    Rätt svar:
    (Korrekta varianter)
    {[{correctAnswer}]}
    Bedömningsanvisningar/Manuell rättning
    Klicka i rutorna och bedöm ditt svar.
    • Rättad
    • +1
    • Rättad
    Dela med lärare
    Rättar...
  • 6. Premium

    Redigera uppgift Rapportera fel Ändra till korrekt
    (0/1/0)
    E C A
    B 1
    P
    PL
    M
    R
    K
    M EXIT NP INGÅR EJ Uppgift från prov

    Olle bor utanför Uppsala men arbetar i centrum. Runt staden är det öppna fält med åkermark. När han cyklar hem från jobbet på eftermiddagen har han ofta motvind. Olle påstår att detta beror på att det då är varmare inne i staden än runt omkring.

    Hur kan motvinden förklaras utifrån Olles påstående?

    Svar:
    Ditt svar:
    Rätt svar:
    (Korrekta varianter)
    {[{correctAnswer}]}
    Bedömningsanvisningar/Manuell rättning
    Klicka i rutorna och bedöm ditt svar.
    • Rättad
    • +1
    • Rättad
    Dela med lärare
    Rättar...
  • 7. Premium

    Redigera uppgift Rapportera fel Ändra till korrekt
    (2/0/0)
    E C A
    B
    P
    PL 2
    M
    R
    K
    M EXIT NP INGÅR EJ Uppgift från prov

    En sommardag dyker Amanda ner i en sjö och hämtar musslor på $2,0$2,0 meters djup. Vätsketrycket ger upphov till en kraft på örats trumhinna. Trumhinnan har radien $5,0$5,0 mm.

    Hur stor kraft orsakar vätsketrycket på Amandas trumhinna?

    Svar:
    π²
    Ditt svar:
    Rätt svar:
    (Korrekta varianter)
    {[{correctAnswer}]}
    Bedömningsanvisningar/Manuell rättning
    Klicka i rutorna och bedöm ditt svar.
    • Rättad
    • +1
    • Rättad
    Dela med lärare
    Rättar...
  • 8. Premium

    Redigera uppgift Rapportera fel Ändra till korrekt
    (3/0/0)
    E C A
    B 1
    P
    PL
    M 2
    R
    K
    M EXIT NP INGÅR EJ Uppgift från prov

    En glödlampa är märkt $6,3$6,3 V/$0,32$0,32 W.
    Du ska planera ett experiment för att kontrollera effektutvecklingen hos
    glödlampan vid märkspänningen. Din planering ska vara så tydlig att en
    klasskamrat kan använda den för att genomföra experimentet.

    Du har tillgång till varierbar spänningskälla, voltmeter, amperemeter,
    glödlampa och sladdar.

    Din planering ska innehålla:

    • ett kopplingsschema,
    • en kortfattad beskrivning av hur försöket ska genomföras. Uppge även de
      mätningar som behöver utföras och de samband som behöver användas för
      att kontrollera effektutvecklingen.
    Svar:
    Ditt svar:
    Rätt svar:
    (Korrekta varianter)
    {[{correctAnswer}]}
    Bedömningsanvisningar/Manuell rättning
    Klicka i rutorna och bedöm ditt svar.
    • Rättad
    • +1
    • Rättad
    Dela med lärare
    Rättar...
  • 9. Premium

    Redigera uppgift Rapportera fel Ändra till korrekt
    (2/2/0)
    E C A
    B
    P 2 1
    PL
    M
    R
    K 1
    M EXIT NP INGÅR EJ Uppgift från prov

    En planka släpas längs marken. Dragkraften är $85$85 N och bildar $40^{\circ}$40 vinkel mot
    marken enligt figur. Plankan har massan $21$21 kg.

    a) Hur stort arbete uträttar dragkraften då plankan släpas $6,0$6,0 m?

    b) Bestäm normalkraften på plankan då den rör sig med konstant hastighet.
    På denna deluppgift kommer din lärare särskilt att bedöma hur väl du
    redovisar din lösning.

     

    Svar:
    Ditt svar:
    Rätt svar:
    (Korrekta varianter)
    {[{correctAnswer}]}
    Bedömningsanvisningar/Manuell rättning
    Klicka i rutorna och bedöm ditt svar.
    • Rättad
    • +1
    • Rättad
    Dela med lärare
    Rättar...
  • 10. Premium

    Redigera uppgift Rapportera fel Ändra till korrekt
    (2/1/0)
    E C A
    B 1
    P
    PL 1 1
    M
    R
    K
    M EXIT NP INGÅR EJ Uppgift från prov

    Efter kärnkraftshaverierna i Fukushima $2011$2011 rapporterades hög radioaktivitet i
    vissa livsmedel. Aktiviteten av Jod-$131$131 i mjölk uppmättes till $500$500 Bq/kg vid
    mjölkning. Halveringstiden för Jod-$131$131 är $8,0$8,0 dygn.

    a) Bestäm aktiviteten i $1$1 kg mjölk $10$10 dygn efter mjölkning.

    b) Gränsvärdet för mjölk är $300$300 Bq/kg.
    Om man tar hänsyn till gränsvärdet, hur många dygn efter mjölkning bör
    man vänta innan man dricker mjölken?

    Svar:
    Ditt svar:
    Rätt svar:
    (Korrekta varianter)
    {[{correctAnswer}]}
    Bedömningsanvisningar/Manuell rättning
    Klicka i rutorna och bedöm ditt svar.
    • Rättad
    • +1
    • Rättad
    Dela med lärare
    Rättar...
  • 11. Premium

    Redigera uppgift Rapportera fel Ändra till korrekt
    (0/3/0)
    E C A
    B
    P
    PL 3
    M
    R
    K
    M EXIT NP INGÅR EJ Uppgift från prov

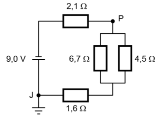
    Till ett batteri med spänningen $9,0$9,0 V ansluts fyra resistorer enligt figur.
    Punkten $J$J jordas.

    a) Bestäm strömmen genom batteriet.

    b) Bestäm potentialen i punkten $P$P.

    Svar:
    Ditt svar:
    Rätt svar:
    (Korrekta varianter)
    {[{correctAnswer}]}
    Bedömningsanvisningar/Manuell rättning
    Klicka i rutorna och bedöm ditt svar.
    • Rättad
    • +1
    • Rättad
    Dela med lärare
    Rättar...
  • 12. Premium

    Redigera uppgift Rapportera fel Ändra till korrekt
    (1/3/0)
    E C A
    B 1 2
    P
    PL 1
    M
    R
    K
    M EXIT NP INGÅR EJ Uppgift från prov

    Jussi undersöker accelerationen för skolans hiss. Kraft-tid-grafen nedan visar
    en mätning av den normalkraft som påverkar Jussi vid en hissfärd från en
    våning till en annan.

    a) Hur stor massa har Jussi?

    b) Åker hissen upp eller ner? Motivera ditt svar.

    c) Beräkna hissens acceleration vid tidpunkten $3,0$3,0 s.

    Svar:
    Ditt svar:
    Rätt svar:
    (Korrekta varianter)
    {[{correctAnswer}]}
    Bedömningsanvisningar/Manuell rättning
    Klicka i rutorna och bedöm ditt svar.
    • Rättad
    • +1
    • Rättad
    Dela med lärare
    Rättar...
  • 13. Premium

    Redigera uppgift Rapportera fel Ändra till korrekt
    (2/1/1)
    E C A
    B 2 1 1
    P
    PL
    M
    R
    K
    M EXIT NP INGÅR EJ Uppgift från prov

    Patienter som har cancer i sköldkörteln behandlas vanligtvis med hjälp av
    tabletter innehållande radioaktivt jod. Den radioaktiva substansen tas naturligt
    upp av kroppen och lagras i sköldkörteln efter cirka en timme.
    Det finns många olika isotoper av radioaktivt jod, tabellen visar några.

    För behandling av cancer i sköldkörteln används speciellt isotopen Jod-$131$131.

    a) Skriv formeln för sönderfallet av Jod-$131$131

    b) I tabellen finns även två andra jodisotoper beskrivna. Förklara varför de
    är olämpliga att använda för denna typ av behandling.

    Svar:
    Ditt svar:
    Rätt svar:
    (Korrekta varianter)
    {[{correctAnswer}]}
    Bedömningsanvisningar/Manuell rättning
    Klicka i rutorna och bedöm ditt svar.
    • Rättad
    • +1
    • Rättad
    Dela med lärare
    Rättar...
  • 14. Premium

    Redigera uppgift Rapportera fel Ändra till korrekt
    (1/1/1)
    E C A
    B 1
    P
    PL
    M 1 1
    R
    K
    M EXIT NP INGÅR EJ Uppgift från prov

    Då en boll studsar kommer farten precis efter studsen, $v_2$v2 , att vara mindre än farten precis före studsen, $v_1$v1. Bollens studsegenskaper kan beskrivas av studskoefficienten $s$s, enligt $s=$s= $\frac{v_2}{v_1}$v2v1 .

    Planera ett experiment där du gör en noggrann bestämning av
    studskoefficienten för en boll som studsar mot ett golv. Din planering ska vara
    så tydlig att en klasskamrat kan använda den för att genomföra experimentet.

    Du har tillgång till en boll och meterlinjal.

    Din planering ska innehålla:

    • en kortfattad beskrivning av hur försöket ska genomföras,
    • en beskrivning av hur dina mätningar ska genomföras för att kunna
      bestämma studskoefficienten noggrant,
    • de samband som behövs för att bestämma studskoefficienten.
    Svar:
    Ditt svar:
    Rätt svar:
    (Korrekta varianter)
    {[{correctAnswer}]}
    Bedömningsanvisningar/Manuell rättning
    Klicka i rutorna och bedöm ditt svar.
    • Rättad
    • +1
    • Rättad
    Dela med lärare
    Rättar...
  • 15. Premium

    Redigera uppgift Rapportera fel Ändra till korrekt
    (1/2/2)
    E C A
    B 1
    P
    PL 2 2
    M
    R
    K
    M EXIT NP INGÅR EJ Uppgift från prov

    Det finns nuklider som i sällsynta fall sönderfaller genom en process där det sänds ut en partikel som är tyngre än en $\alpha$α-partikel. Ett exempel är nukliden $^{223}$223 Ra, som normalt sönderfaller med $\alpha$α-sönderfall, men i sällsynta fall i stället sönderfaller genom att sända ut en $^{14}$14C-kärna.

    a) Skriv sönderfallsreaktionen då $^{223}$223Ra sänder ut en $^{14}$14C kärna. 

    b) Bestäm den energi som frigörs i sönderfallet. Svara i MeV.

    Sönderfall, där $^{223}$223Ra avger en $^{14}$14C- kärna förekommer i genomsnitt endast en
    gång per $1200$1200 miljoner $\alpha$α-sönderfall av $^{223}$223Ra.

    c) Ungefär hur många $^{14}$14C -kärnor avger $2,0$2,0 g $^{223}$223Ra inom en minut?

    Svar:
    Ditt svar:
    Rätt svar:
    (Korrekta varianter)
    {[{correctAnswer}]}
    Bedömningsanvisningar/Manuell rättning
    Klicka i rutorna och bedöm ditt svar.
    • Rättad
    • +1
    • Rättad
    Dela med lärare
    Rättar...
  • 16. Premium

    Redigera uppgift Rapportera fel Ändra till korrekt
    (1/1/2)
    E C A
    B 1
    P
    PL 1 1
    M
    R
    K 1
    M EXIT NP INGÅR EJ Uppgift från prov

    Det sägs att ett flytande isberg har ca $90\text{ }\%$90 % av sin volym under vattenytan.

    a) Rita en figur av isberget och sätt ut krafterna som verkar på det.

    b) Stämmer påståendet? Styrk ditt svar med fysikaliska resonemang och beräkningar.
    På denna deluppgift kommer din lärare särskilt att bedöma hur väl du redovisar din lösning.

    Svar:
    Ditt svar:
    Rätt svar:
    (Korrekta varianter)
    {[{correctAnswer}]}
    Bedömningsanvisningar/Manuell rättning
    Klicka i rutorna och bedöm ditt svar.
    • Rättad
    • +1
    • Rättad
    Dela med lärare
    Rättar...
  • 17. Premium

    Redigera uppgift Rapportera fel Ändra till korrekt
    (0/0/3)
    E C A
    B
    P
    PL 3
    M
    R
    K
    M EXIT NP INGÅR EJ Uppgift från prov

    En bil åker längs en motorväg med hastigheten $108$108 km/h och närmar sig en
    buss som åker i samma riktning med hastigheten $90$90 km/h. Bilens förare släpper
    på gasen när bilen är $35$35 m ifrån bussen och bilens hastighet minskar då med
    $0,80$0,80 m/s$^2$2.

    Hur nära bussen kommer bilen som närmast?

    Svar:
    Ditt svar:
    Rätt svar:
    (Korrekta varianter)
    {[{correctAnswer}]}
    Bedömningsanvisningar/Manuell rättning
    Klicka i rutorna och bedöm ditt svar.
    • Rättad
    • +1
    • Rättad
    Dela med lärare
    Rättar...
  • 18. Premium

    Redigera uppgift Rapportera fel Ändra till korrekt
    (0/0/4)
    E C A
    B 1
    P
    PL 3
    M
    R
    K
    M EXIT NP INGÅR EJ Uppgift från prov

    En gevärskula av koppar skjuts in i en hängande träkloss med massan $2,50$2,50 kg, enligt figuren nedan. Kulan har massan $6,37$6,37 g. Den bromsas då upp varpå klossen gungar upp $3,40$3,40 cm. Kulan stannar inuti klossen.

    Beräkna hur mycket kulans temperatur maximalt kan öka och diskutera resultatet.

    Svar:
    Ditt svar:
    Rätt svar:
    (Korrekta varianter)
    {[{correctAnswer}]}
    Bedömningsanvisningar/Manuell rättning
    Klicka i rutorna och bedöm ditt svar.
    • Rättad
    • +1
    • Rättad
    Dela med lärare
    Rättar...
Så hjälper Eddler dig:
Videor som är lätta att förstå Övningar & prov med förklaringar
Allt du behöver för att klara av provet
Så hjälper Eddler dig:
Videor som är lätta att förstå Övningar & prov med förklaringar
Allt du behöver för att klara av provet
Din skolas prenumeration har gått ut!
Påminn din lärare om att förnya eller fortsätt plugga med Eddler på egen hand.
Så funkar det för:
Elever/Studenter Lärare Föräldrar
Din skolas prenumeration har gått ut!
Förnya er prenumeration. Kontakta oss på: info@eddler.se